Affiliated Companies: Excel Industries, Inc. and H.K. Holdings, Inc.

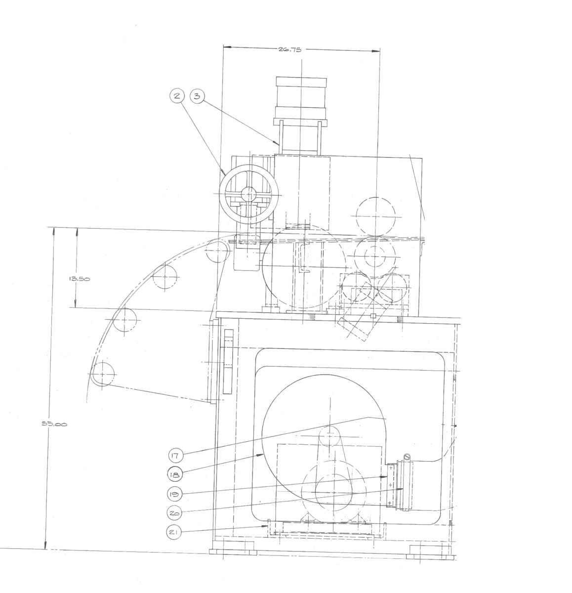
Feeder/Servo, and Shear, Sesco, 60" x 0.60"

Ref # 11312-HK

Click on photo to enlarge


Sesco Servo Feeder and Shear

-Servo Feeder: Sesco
Model 49-406
Capacity: 60" Wide x 0.015" - 0.060"
Entry & Exit Side Guides
Manual Adjustment
50 HP Baldor Vector Drive AC Motor
1775 RPM, 230/460 V
Feed Accuracy +/- 0.005"
Trabon Automatic Lube System
Speed: 200 FPM
Line Direction: Left to Right

-Shear: Sesco (New in 2004)
Hydraulic Production Shear
Model 54-171, S/N: 37917
Bowtie Top Blade
Straight 4 Edge Blade on bottom
Hydraulic Cylinder Actuated
(2) - 5" Bore x 2.5" Stroke Cylinders
Passline Height: 55"

-In Storage: Toledo, OH

Your machine has been added to the Cart.

Click the Checkout button below or continue adding machines to the Cart.

0

Main Office  |  723 Phillips Avenue, Bldg. D2 Toledo, Ohio 43612  |  Phone: (419) 841-3586  |  Fax: (419) 841-2986  |  Email: sales@dnhmachinery.com